提供专业控制阀解决方案! 销售热线:021-5186 3046
上海川沪阀门有限公司
ShangHai Chuanhu Valve CO.,LTD
我们做的不仅是产品还是解决方案
川沪阀门品牌:电动球阀、电动蝶阀、气动球阀、气动蝶阀、电动调节阀、气动调节阀
自力式调节阀、快速切断阀、低温阀门、耐腐蚀阀门、卫生级阀门、截止阀、闸阀
电动执行器、气动执行器
电动陶瓷球阀
一、电动陶瓷球阀 产品概述
上海川沪阀门有限公司生产的电动陶瓷球阀适用于高硬度的颗粒介质,或有软颗粒但又有腐蚀性的介质管道上作启闭之用。公称压力1.6MPa,适应温度小于200C。与介质接触的部会均为结构陶瓷材料,其化学稳定性及硬度极高(洛氏硬度HRC88),仅次于金刚石。因此,电动陶瓷球阀具有极高的耐磨损、耐腐蚀、耐冲蚀性能,且隔热性好、热膨胀小。
型号:
CHQ941TC
特点:
1.球体采用先进研磨设备及工艺制造,球体度精度高,表画质量好,与阀座对研后,利用Zr02陶瓷的自润滑性,可取得很好的密封性能。
2.陶瓷良好的耐磨性,让电动陶瓷球阀经久耐用,可靠性极高,使用寿命长,是钛合金阀和蒙乃尔阀的2- -4倍。
适用场景:
电动陶瓷球阀适用于矿浆、砂石等需要耐磨的场合使用。
二、电动陶瓷球阀 产品图片
![]() |
![]() |
| 电动陶瓷球阀 | 电动陶瓷球阀 |
三、电动陶瓷球阀 主要零部件材料
| 名称 | 材料 |
|---|---|
| 阀盖 | WCB |
| 中体 | WCB |
| 中体套 | 工程陶瓷 |
| 阀座 | 工程陶瓷 |
| 法兰套 | 工程陶瓷 |
| 球 | 工程陶瓷 |
| O型圈 | 氟橡胶 |
| 弹簧 | 17-4PH |
| 阀杆 | 35 |
| 填料 | PTFE |
| 等长双头螺栓 | WCB |
四、电动陶瓷球阀 执行器参数
| 执行器类别 | CH系列执行器参数 | HQ系列执行器参数 |
|---|---|---|
| 电源电压 | 标准:220V AC单相 可选:110V AC 单相、380/440V AC 三相、24V/110V/220V AC | |
| 输出力矩 | 50N·M~2000N·M | 50N·M~3000N·M |
| 动作范围 | 0~90° 0~360° | 0~90°、0°~270°可选 |
| 控制方式 | 开关到位灯(开关两位控制)、无源触点信号、1/5K电位计、智能调节(4~20mA模拟量信号控制) | |
| 动作时间 | 15秒/30秒/60秒 | 18S~112S |
| 保护装置 | 过热保护 | 内置过热保护、过载保护 |
| 环境温度 | -30°~60° | -20℃~+70℃ |
| 手动操作 | 同附带手柄操作 | 机械离合机构,配手轮操作 |
| 机械限位 | 电气、机械二重限位 | 2个外部调整螺栓 |
| 防护等级 | IP65 | IP65、IP67、可定制IP68 |
| 防爆等级 | 无防爆 | ExdⅡ BT4,ExdⅡ CT6 |
| 位置测量 | 可选装开关或电位计 | 电位计、比例控制单元 |
| 驱动电机 | 8W/E | 鼠笼式异步电机 |
| 进线接口 | PE1/2〞进线线锁 | 2个 PF 3/4" |
| 壳体材料 | 铝合金 | 钢,铝合金,铝青铜,聚碳酸脂 |
| 外涂层 | 干粉,环氧聚酯,具有超强防腐功能 | |
| 采用独特的电制动线路,因而定位精度高,执行机构灵敏,启动停止迅速,运行平稳。同时具有抗干扰、抗浪涌电压、防击穿能力强的特点 | ||
五、电动陶瓷球阀 性能规范
| 设计与制造 | GB/T12224 |
|---|---|
| 结构长度 | GB/T12221 |
| 法兰尺寸 | GB/T9113.1 |
| 试验和检验 | JB/T9092 |
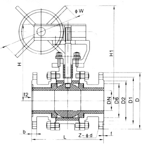
六、电动陶瓷球阀 结构图
![]() |
七、电动陶瓷球阀 连接尺寸
| DN | PN(MPA) | L | D | D1 | D2 | b | f | z-<Dd |
|---|---|---|---|---|---|---|---|---|
| 15 | 1.6 | 130 | 95 | 95 | 45 | 14 | 2 | 4-14 |
| 20 | 130 | 105 | 75 | 55 | 14 | 2 | 4-14 | |
| 25 | 140 | 115 | 85 | 65 | 14 | 2 | 4-14 | |
| 32 | 165 | 140 | 100 | 78 | 16 | 2 | 4-18 | |
| 40 | 165 | 150 | 110 | 85 | 16 | 3 | 4-18 | |
| 50 | 203 | 165 | 125 | 99 | 16 | 3 | 4-18 | |
| 65 | 220 | 185 | 145 | 118 | 18 | 3 | 4-18 | |
| 80 | 241 | 200 | 160 | 132 | 20 | 3 | 8-18 | |
| 100 | 305 | 220 | 180 | 156 | 20 | 3 | 8-18 | |
| 125 | 356 | 250 | 210 | 185 | 22 | 3 | 8-18 | |
| 150 | 394 | 285 | 240 | 211 | 24 | 3 | 8-23 | |
| 200 | 457 | 340 | 295 | 265 | 26 | 3 | 12-23 |
注:由于产品改进技术创新参数可能有一定变化,公司不另行通知,请咨询公司技术部门索取新数据。
下载:上海川沪阀门有限公司-产品样本-电动陶瓷球阀.PDF
电动陶瓷球阀链接:http://www.shchuanhu.com/products/diandongqiufa/q941tc.html



































