提供专业控制阀解决方案! 销售热线:021-5186 3046
上海川沪阀门有限公司
ShangHai Chuanhu Valve CO.,LTD
我们做的不仅是产品还是解决方案
川沪阀门品牌:电动球阀、电动蝶阀、气动球阀、气动蝶阀、电动调节阀、气动调节阀
自力式调节阀、快速切断阀、低温阀门、耐腐蚀阀门、卫生级阀门、截止阀、闸阀
电动执行器、气动执行器
电动四通球阀
一、电动四通球阀 产品概述
上海川沪阀门有限公司生产的电动四通球阀,是由角行程电动执行机构和四通球阀阀体组成。
特点:
1、流体阻力小:球体和阀体的连接管道截面相等,且球体通道采用圆弧连接,介质通过球体时,流体阻力小。
2、密封性能: 阀座采用具有一定弹性变形和高强度的PTFE材料,达到良好密封性能保证了阀门的稳定性。
3、使用寿命长:阀门的阀芯和光颈材料采用奥氏不锈钢,阀座材料选用PTFE,能达到良好的抗腐蚀性作用,延长了阀门使用寿命。
适用场景:
电动四通球阀广泛使用在石油、天然气、煤炭、矿石开采、化工产品、医药和食品等系统中。
二、电动四通球阀 产品图片
![]() |
![]() |
| 电动四通球阀(不锈钢法兰连接) | 电动四通球阀(防爆型) |
三、电动四通球阀 零部件材料
| 阀体/阀盖 | GB | WCB | ZGlCrl8Ni9Ti | ZGOCfl8Nil2M02Ti | |||
|---|---|---|---|---|---|---|---|
| ASTM | WCB | CF8 | CF8M | ||||
| 球体 | GB | 2Crl3 | 1Cfl8Ni9Ti | 0Cfl8Ni12M02Ti | |||
| ASTM | 420 | 304 | 316 | ||||
| 阀杆 | GB | 2Crl3 | 1Crl8Ni9Ti | 0Crl8Ni12M02Ti | |||
| ASTM | 420 | 304 | 316 | ||||
| 阀座 | GB | 聚四氟乙烯 | 对位聚苯 | 聚四氟乙烯 | 对位聚苯 | 聚四氟乙烯 | 对位聚苯 |
| ASTM | 聚四氟乙烯 | 对位聚苯 | 聚四氟乙烯 | 对位聚苯 | 聚四氟乙烯 | 对位聚苯 | |
| 填料 | GB | 聚四氟乙烯 | 柔性石墨 | 聚四氟乙烯 | 柔性石墨 | 聚四氟乙烯 | 柔性石墨 |
| ASTM | 聚四氟乙烯 | 柔性石墨 | 聚四氟乙烯 | 柔性石墨 | 聚四氟乙烯 | 柔性石墨 | |
| 螺栓 | GB | 35 | 0Crl8Ni9 | 0Crl8Ni9 | |||
| ASTM | A193B7 | A320-B8 | A320-B8 | ||||
| 螺母 | GB | 45 | 0Cfl8Ni9 | 0Crl8Ni9 | |||
| ASTM | A1942H | A194-8 | A194-8 | ||||
四、电动四通球阀 技术参数
| 阀体形式 | 四通铸造阀体 |
|---|---|
| 公称通径 | DN50~600mm |
| 公称压力 | PN1.6、2.5、4.0 MPa;ANSI 150、300LB ;JIS 10、20、30K |
| 法兰标准 | JB/T79.2-1994、 ASME/ANSI B165 |
| 连接形式 | 法兰式 |
| 压盖型式 | 压盖压紧式 |
| 密封填料 | V型聚四氟乙烯填料、柔性石墨填料等 |
| 设计和制造 | GB/T12237-1989; APl608 |
| 检验和试验 | GB/T13927-1992; APl 598 |
| 执行器型号 | CHR、3810R、DZW、HQ、PSQ |
五、电动四通球阀 执行器参数
| 执行器类别 | CH系列执行器参数 | HQ系列执行器参数 |
|---|---|---|
| 电源电压 | 标准:220V AC单相 可选:110V AC 单相、380/440V AC 三相、24V/110V/220V AC | |
| 输出力矩 | 50N·M~2000N·M | 50N·M~3000N·M |
| 动作范围 | 0~90° 0~360° | 0~90°、0°~270°可选 |
| 控制方式 | 开关到位灯(开关两位控制)、无源触点信号、1/5K电位计、智能调节(4~20mA模拟量信号控制) | |
| 动作时间 | 15秒/30秒/60秒 | 18S~112S |
| 保护装置 | 过热保护 | 内置过热保护、过载保护 |
| 环境温度 | -30°~60° | -20℃~+70℃ |
| 手动操作 | 同附带手柄操作 | 机械离合机构,配手轮操作 |
| 机械限位 | 电气、机械二重限位 | 2个外部调整螺栓 |
| 防护等级 | IP65 | IP65、IP67、可定制IP68 |
| 防爆等级 | 无防爆 | ExdⅡ BT4,ExdⅡ CT6 |
| 位置测量 | 可选装开关或电位计 | 电位计、比例控制单元 |
| 驱动电机 | 8W/E | 鼠笼式异步电机 |
| 进线接口 | PE1/2〞进线线锁 | 2个 PF 3/4" |
| 壳体材料 | 铝合金 | 钢,铝合金,铝青铜,聚碳酸脂 |
| 外涂层 | 干粉,环氧聚酯,具有超强防腐功能 | |
| 采用独特的电制动线路,因而定位精度高,执行机构灵敏,启动停止迅速,运行平稳。同时具有抗干扰、抗浪涌电压、防击穿能力强的特点 | ||
六、电动四通球阀 性能规范
| 公称压力(MPa) | 常温大工作压力(MPa) | 壳体试验压力(MPa) | 气密封试验压力(MPa) | 高压密封试验压力(MPa) |
|---|---|---|---|---|
| PN1.6 | 1.6 | 2.4 | 0.6 | 1.76 |
| PN2.5 | 2.5 | 3.8 | 0.6 | 2.75 |
| PN4.0 | 4.0 | 6.0 | 0.6 | 4.4 |
| l50LB | 2.0 | 3.0 | 0.6 | 2.2 |
七、电动四通球阀 流向原理图
|
八、电动四通球阀 结构图
|
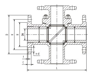
八、电动四通球阀 连接尺寸
| DN | L | D | K | R | C | f | n-d |
|---|---|---|---|---|---|---|---|
| 15 | 150 | 95 | 65 | 45 | 14 | 2 | 4-14 |
| 20 | 164 | 105 | 75 | 55 | 16 | 2 | 4-14 |
| 25 | 180 | 115 | 85 | 65 | 16 | 2 | 4-14 |
| 32 | 200 | 135 | 100 | 78 | 18 | 2 | 4-18 |
| 40 | 220 | 145 | 110 | 85 | 18 | 3 | 4-18 |
| 50 | 240 | 160 | 125 | 100 | 20 | 3 | 4-18 |
| 65 | 260 | 180 | 145 | 120 | 20 | 3 | 4-18 |
| 80 | 280 | 195 | 160 | 135 | 20 | 3 | 8-18 |
| 100 | 320 | 215 | 180 | 155 | 22 | 3 | 8-18 |
| 125 | 380 | 245 | 210 | 185 | 22 | 3 | 8-18 |
| 150 | 440 | 28 | 240 | 210 | 24 | 3 | 8-23 |
| 200 | 550 | 335 | 295 | 265 | 24 | 3 | 12-23 |
| 250 | 670 | 405 | 355 | 320 | 30 | 3 | 12-25 |
| 300 | 850 | 460 | 410 | 375 | 30 | 4 | 12-25 |
注:由于产品改进技术创新参数可能有一定变化,公司不另行通知,请咨询公司技术部门索取新数据。
下载:上海川沪阀门有限公司-产品样本-电动四通球阀.PDF
电动四通球阀链接:http://www.shchuanhu.com/products/diandongqiufa/ddsitqf.html


































